產品詳情/Product details
|
C系列電涌保護器
收藏
产品说明
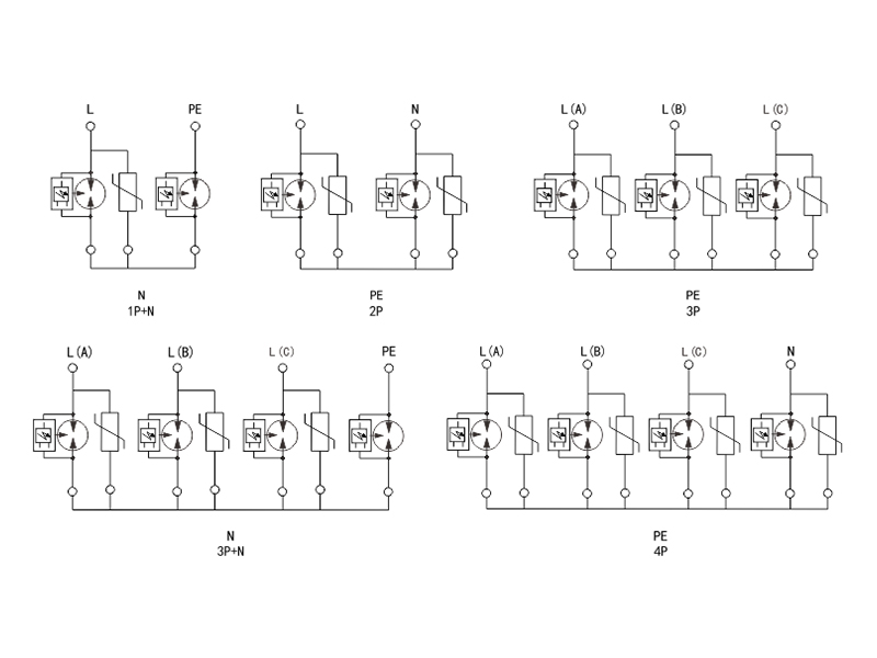
產品介紹: GPU1-C系列電涌保護器適用于交流50Hz(60Hz),額定工作電壓為220V/380V的配電系統中,可廣泛應用于建筑物和工廠供電系統的電源保護,主要安裝在電氣系統的各級配電柜中,對直擊雷、感應雷和操作過電壓等能抑制其瞬態過電壓幅值,泄放電涌能量,從而保護系統電路和用電設備。 產品原理圖:
產品特點: 1.限壓型電涌保護器 2.多等級組合方式應用各種類供電系統 3.更換方便-無需停電可更換保護模塊 4.故障顯示-各模塊均帶顯示告警功能 5.遠程監控一-帶有遠程告警裝置,方便遠程監控(可選) 6.防誤插功能一底座和模塊均帶有限位裝置 7.保護模式-各模塊均帶有熱脫扣裝置 技術參數:
|

